找回密码
 注册
查看: 4804|回复: 7

gambit网格划分问题,出现问题提示

[复制链接]
发表于 2010-12-19 22:20:40 | 显示全部楼层 |阅读模式

马上注册,结交更多好友,享用更多功能,让你轻松玩转社区。

您需要 登录 才可以下载或查看,没有账号?注册

x
我希望模拟车辆外流场的气动特性,汽车模型采用Ahmed简化模型,计算域进行分区划分网格,在对包围汽车模型的区域网格划分出现以下提示:
  ERROR:Tetrahedral meshing has failed for volume v_volume.9.
   This is usually caused by problems in the face meshs.
   check the skewnesses of your face meshes and make sure the face mesh sizes are not too large in areas of small gaps.

划分过程中,还出现网格数量过大,里面最小的区域就已经出现90万左右的网格了…… 现在用的是8核的工作站,用得也有点费劲呀。希望高手出出招。谢了。
计算模型如下图
Snap3.gif
发表于 2010-12-20 10:16:02 | 显示全部楼层
你这个Ahmed模型也太简化了吧,没有车轮就算了,连车头部分都简化了?这个东西我以前算过,四面体网格不是很难画啊,我记得是先画的车体面网格然后由外往内的画分网格,网格尺寸不要太小,总体网格100w左右,当时用的双核算的也没用很长时间;当然想划分六面体网格也可以就是多切几刀。
 楼主| 发表于 2010-12-20 10:54:32 | 显示全部楼层

网格划分

原帖由 skyarmy 于 2010-12-20 10:16 发表
你这个Ahmed模型也太简化了吧,没有车轮就算了,连车头部分都简化了?这个东西我以前算过,四面体网格不是很难画啊,我记得是先画的车体面网格然后由外往内的画分网格,网格尺寸不要太小,总体网格100w左右,当时用的 ...


呵呵,我这个模型是采用SAE论文里的一个模型,用这个模型也是为了验证自己模拟的精度多大。
我是按模型的真实尺寸画的,再对整个计算域(x7000 y800 z780)进行了分区处理,画好车体面网格(这一步没问题),从里到外划分分区体网格,size还是取的1,但还是出现上面那个错误,提示部分地方mesh size过大。skyarmy,你说的由外往内划分网格是怎么样的具体过程,说详细点呗,嘿嘿,谢了
ahmed模型.gif
发表于 2010-12-20 15:48:44 | 显示全部楼层
size1太小了,定义附面层(车体表面和地面)后,最里面的分区建议用size10~20,面网格也不要太小;划分四面体网格由外网内划分有利于减少网格数量,比如先划最外面的分区用size50,再划中间分区size25,最后里面分区size15,比反过来划分网格数量要少,当然你可以先划分面网格,再生成体网格的方法来控制网格数量。
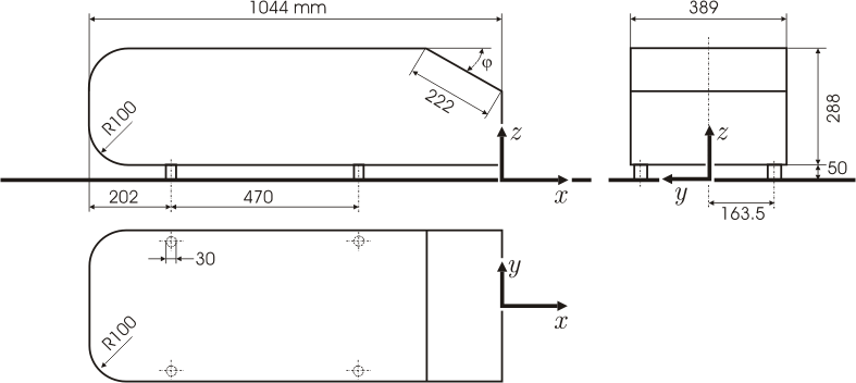
PS:维基百科上的Ahmed模型,我当时就是按照这个算的。
Ahmed.gif
发表于 2010-12-20 16:18:08 | 显示全部楼层
估算一下,体积除以单元数是平均单元体积,开立方是平均单元边长,掰手指头就行。
发表于 2010-12-20 22:17:30 | 显示全部楼层
small gaps我也出现这个问题,后来把模型多切了几刀就解决了
 楼主| 发表于 2010-12-21 07:21:51 | 显示全部楼层

回复 4# skyarmy 的帖子

呵呵,多谢。我再试试
 楼主| 发表于 2010-12-21 07:23:41 | 显示全部楼层

回复 6# azhuzhuaba 的帖子

azhuzhuaba,你的多切几刀是不是说对计算域多分几个区啊? 你的网格划分大体的策略是怎么样的?怎么改进的? 3Q
您需要登录后才可以回帖 登录 | 注册

本版积分规则

快速回复 返回顶部 返回列表