Home
个人中心
广告服务
使用帮助
关于我们
登录
注册
用户名
Email
自动登录
找回密码
密码
登录
注册
搜索
本版
用户
首页
Portal
前沿
动态
人物
会议
工具
论坛
BBS
家园
Space
好友
帖子
收藏
道具
勋章
任务
淘帖
导读
设置
退出
流体中文网
»
论坛
›
软件学习
›
前后处理软件论坛
›
gambit边界条件设置问题
返回列表
查看:
3698
|
回复:
5
gambit边界条件设置问题
[复制链接]
zzcyls
zzcyls
当前离线
积分
120
IP卡
狗仔卡
发表于 2010-3-16 14:41:29
|
显示全部楼层
|
阅读模式
马上注册,结交更多好友,享用更多功能,让你轻松玩转社区。
您需要
登录
才可以下载或查看,没有账号?
注册
x
为什么输出网格的时候出现这种警告?哪位高人指点一下,谢谢。
[
本帖最后由 zzcyls 于 2010-3-16 14:58 编辑
]
回复
使用道具
举报
提升卡
置顶卡
沉默卡
喧嚣卡
变色卡
显身卡
xrs333
xrs333
当前离线
积分
11024
IP卡
狗仔卡
发表于 2010-3-16 14:44:13
|
显示全部楼层
把网格图贴上来。
回复
支持
反对
使用道具
举报
显身卡
zzcyls
zzcyls
当前离线
积分
120
IP卡
狗仔卡
楼主
|
发表于 2010-3-16 15:00:53
|
显示全部楼层
回复 2# xrs333 的帖子
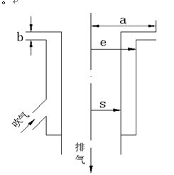
就是上面这种情况,我在球体内,圆柱外画的四面体网格。就在上部环形外边线画了线网格之后直接生成的体网格,输出后总是出现这种情况。
回复
支持
反对
使用道具
举报
显身卡
xrs333
xrs333
当前离线
积分
11024
IP卡
狗仔卡
发表于 2010-3-16 15:04:11
|
显示全部楼层
未能成功划分网格
或
未能成功定义边界条件。
回复
支持
反对
使用道具
举报
显身卡
zzcyls
zzcyls
当前离线
积分
120
IP卡
狗仔卡
楼主
|
发表于 2010-3-16 15:10:58
|
显示全部楼层
回复 4# xrs333 的帖子
你好,我这个模拟只关心上部吹吸口外的流场,那么我定义边界条件的时候是不是只定义上部的边界,下部入口定义为对称型,这样可以吗?还有,圆柱外部的四面体网格是怎么生成的?是要把圆柱体大外表面全部都定义网格吗?
回复
支持
反对
使用道具
举报
显身卡
zzcyls
zzcyls
当前离线
积分
120
IP卡
狗仔卡
楼主
|
发表于 2010-3-19 10:15:59
|
显示全部楼层
问题已解决,谢谢
回复
支持
反对
使用道具
举报
显身卡
返回列表
高级模式
B
Color
Image
Link
Quote
Code
Smilies
您需要登录后才可以回帖
登录
|
注册
本版积分规则
发表回复
回帖后跳转到最后一页
浏览过的版块
NUMECA论坛
FLUENT深水区
UDF专题讨论区
CFD实战技术
动网格讨论区
Fluent论坛
湍流理论
FLUENT藏经阁
流体力学基础
CFD基础理论
快速回复
返回顶部
返回列表