Home
个人中心
广告服务
使用帮助
关于我们
登录
注册
用户名
Email
自动登录
找回密码
密码
登录
注册
搜索
本版
用户
首页
Portal
前沿
动态
人物
会议
工具
论坛
BBS
家园
Space
好友
帖子
收藏
道具
勋章
任务
淘帖
导读
设置
退出
流体中文网
»
论坛
›
教学科研
›
CFD实战技术
›
求教脉冲加热UDF模型
返回列表
查看:
1998
|
回复:
1
求教脉冲加热UDF模型
[复制链接]
somnus4618
somnus4618
当前离线
积分
18
IP卡
狗仔卡
发表于 2012-2-11 18:49:25
|
显示全部楼层
|
阅读模式
马上注册,结交更多好友,享用更多功能,让你轻松玩转社区。
您需要
登录
才可以下载或查看,没有账号?
注册
x
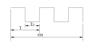
我做的模拟是 脉冲激光加热模拟!具体就是在小于T0时间内加载激光,加载温度为100℃,在大于T0小于T的时间内不做用激光,加载温度为0℃,大于T后进行下一个循环,脉冲加热的总时间为t。如图1,2所示。请各位大侠给编个UDF程序,拜托了,急用。
[
本帖最后由 somnus4618 于 2012-2-12 08:19 编辑
]
回复
使用道具
举报
提升卡
置顶卡
沉默卡
喧嚣卡
变色卡
显身卡
somnus4618
somnus4618
当前离线
积分
18
IP卡
狗仔卡
楼主
|
发表于 2012-2-12 09:15:36
|
显示全部楼层
回复 1# somnus4618 的帖子
请路过的高手给指点一下呗
回复
支持
反对
使用道具
举报
显身卡
返回列表
高级模式
B
Color
Image
Link
Quote
Code
Smilies
您需要登录后才可以回帖
登录
|
注册
本版积分规则
发表回复
回帖后跳转到最后一页
浏览过的版块
LBM
多相流论坛
FLUENT深水区
UDF专题讨论区
Fluent论坛
招生招聘
威客论坛
航空航天论坛
CFD基础理论
快速回复
返回顶部
返回列表