找回密码
 注册
查看: 3707|回复: 1

求教!!两位三通膜片截止式气动阀湍流噪声问题

[复制链接]
发表于 2010-12-25 22:40:14 | 显示全部楼层 |阅读模式

马上注册,结交更多好友,享用更多功能,让你轻松玩转社区。

您需要 登录 才可以下载或查看,没有账号?注册

x
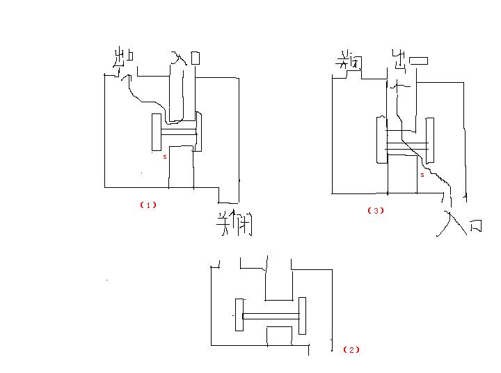
如图所示的膜片内截止式气阀:

视图(1),压缩空气从入口进入,入口处表压为0.13Mpa(绝对压力就是0.23Mpa),出口压力为0Mpa,工字型元件为(膜片,阀杆,膜片)的组合件,从(2)图的中间状态可以看清楚。另外膜片与阀口的最大开度为0.7mm,计算有效面积为19平方毫米,满足流量要求。
图(3)为切换气路后的流动方向,阀芯向右运动,左侧膜片堵住左侧阀口,右侧膜片开启,入口处表压为0.15Mpa(绝对压力就是0.25Mpa),出口0.12Mpa。就在这个切换的过程中,产生"砰"的一噪声,像起红酒瓶木塞时的噪声,很短,一秒钟。
我的理解:
排除分析
膜片和阀杆组成的阻尼系统,由于膜片的材料是橡胶,所以应该不是机械振动,共振。而且从噪声”砰“的一声来看,应该是气流激励的噪声。
可能性分析
1:虽然流量满足,由于开度从0至0.7mm的圆柱形缝隙进气,产生湍流扰动噪声?
2:是类似压缩机进气的噪声吗?有个现象,当把手堵住进气管,再打开,这时也有砰的噪声,是气流扰动产生的吗?还是激励频率和进气管内的气柱固有频率接近?
3:有个很重要的现象是,当在(1)至(3)的切换过程,应该是零点几秒的时间内完成,堵住(1)图的排气口,噪声就消失了!!!!!由于压降很小,计算知道流速在亚声速区。那么噪声消失的原因是压降更小吗?
总结自己的提问
开度小产生的噪声?类似起酒瓶木塞的噪声?最想知道的是为什么换向时堵住(1)的排气口噪声就消失
提问用新.JPG
 楼主| 发表于 2010-12-25 22:42:19 | 显示全部楼层
点击图片左上角附件可以看见全图了!!求大家解答!
您需要登录后才可以回帖 登录 | 注册

本版积分规则

快速回复 返回顶部 返回列表